ngành công nghiệp
Thiết bị thông gió và thiết bị gia dụng
• Thiết bị thông gió
-Quạt hướng trục
-Quạt ly tâm
- Quạt thông gió trên mái
• Thiết bị gia dụng:
-Máy giặt
-Máy lọc không khí
-Quạt làm mát
-Tủ lạnh
Sản phẩm liên quan
×
| Thông số điện. | |||||||||||||||||||||||||
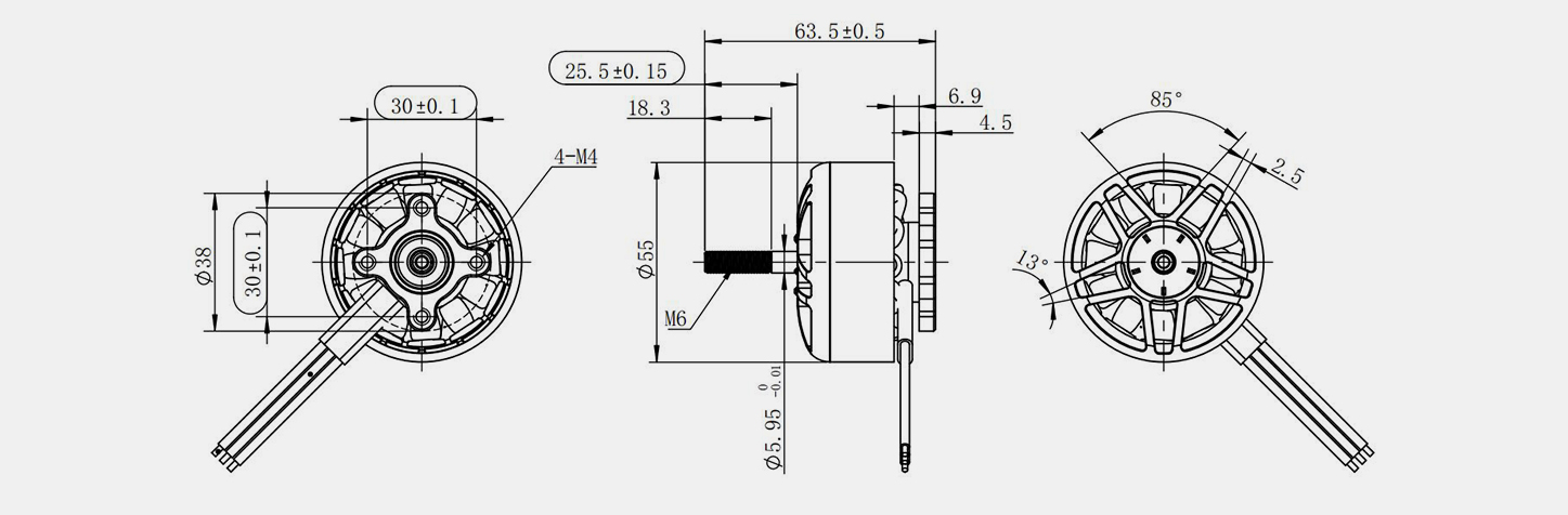
| Tối đa. P (W) | Điện áp (V) | Tối đa. tôi. (A) | KV | Dòng điện không tải (A) | Kháng chiến (mΩ) | Người Ba Lan | Động cơ mờ. (mm) | Stator mờ. (mm) | gắn kết (mm) | N. W. (g) | Đề xuất. (inch) | ||||||||||||||
| 1052 | 25~33,6 | 45 | 350 | 1.5 | 45 | 14 | φ55*38 | φ47*15 | M3-30*30 | 277 | 13" | ||||||||||||||
| Dữ liệu kiểm tra lực đẩy | |||||||||||||||||||||||||
| Cánh quạt | Giá trị kV | ga (%) | bạn (V) | tôi (A) | N (RPM) | bĩu môi (W) | Ghim (W) | Hiệu quả (G/W) | |||||||||||||||||
| GF1310*3 | 350kV | 30 | 25.13 | 0.304 | 1737.5 | 285 | 7.6 | 4.959 | |||||||||||||||||
| 35 | 25.1 | 1.128 | 2188.7 | 346.9 | 28.3 | 4.644 | |||||||||||||||||||
| 40 | 25.07 | 2.15 | 2586.8 | 395.4 | 53.9 | 4.6 | |||||||||||||||||||
| 45 | 25.01 | 3.905 | 3072.1 | 444.1 | 97.7 | 4.814 | |||||||||||||||||||
| 50 | 24.96 | 5.722 | 3427.8 | 469.5 | 142.8 | 5.128 | |||||||||||||||||||
| 55 | 24.9 | 7.707 | 3734.9 | 484.3 | 191.9 | 5.495 | |||||||||||||||||||
| 60 | 24.82 | 10.228 | 4070.8 | 494.1 | 253.9 | 5.973 | |||||||||||||||||||
| 65 | 24.7 | 13.866 | 4458 | 491.4 | 342.5 | 6.798 | |||||||||||||||||||
| 70 | 24.59 | 17.485 | 4785.6 | 481.2 | 429.9 | 7.62 | |||||||||||||||||||
| 75 | 24.45 | 21.663 | 5093.5 | 460.1 | 529.7 | 8.72 | |||||||||||||||||||
| 80 | 24.3 | 26.413 | 5384.7 | 428.8 | 641.8 | 10.186 | |||||||||||||||||||
| 85 | 24.13 | 31.418 | 5661.1 | 393.6 | 758.3 | 11.977 | |||||||||||||||||||
| 90 | 23.96 | 36.765 | 5909.1 | 352.2 | 880.9 | 14.277 | |||||||||||||||||||
| 95 | 23.75 | 42.922 | 6131.1 | 300.8 | 1019.5 | 17.8 | |||||||||||||||||||
| 100 | 23.7 | 44.411 | 6217.5 | 292.6 | 1052.3 | 18.591 | |||||||||||||||||||
Động cơ máy bay không người lái 6S 320kV 350kV 380kV LN4715 Lực đẩy 1,5kg
Máy lọc không khí Động cơ quạt 24VDC 40W Động cơ quạt trần wo60 Series
×
Điện áp kép 230VAC/12VDC vào một ổ đĩa cho hệ thống cung cấp điện năng lượng mặt trời ở vùng sâu vùng xa Dòng W70 có vỏ kim loại
Tính năng sản phẩm:
Hỗ trợ điện áp kép cho nguồn điện linh hoạt
Được thiết kế với vỏ kim loại bền bỉ để tăng cường bảo vệ
Lý tưởng cho các hệ thống sử dụng năng lượng mặt trời
Hiệu suất đáng tin cậy ở vùng sâu vùng xa
Điện áp kép 230VAC/12VDC vào một ổ đĩa cho hệ thống cung cấp điện năng lượng mặt trời ở vùng sâu vùng xa Dòng W70 có vỏ kim loại
